氟塑料襯里閥門系列當前頁面:首頁 > 氟塑料襯里閥門系列
襯氟蝶閥D371F46

概述
蝶閥是用隨閥桿一起轉動的蝶板作啟閉件,用以實現閥門的開啟,關閉和流量調節,襯里蝶閥在閥體,蝶板,閥桿等過流部件上采用襯里技術表面均勻包覆一層氟塑膠,能耐除“熔融堿金屬元素”外任何介質腐蝕,具有體積小,重量輕,啟閉靈活,便于安裝等優點。本公司蝶閥為D71F46和D41F46系列,閥體采用對分二片式結構。
結構特點
1、中線蝶閥蝶板為閥座360°圓周內同心(中線),具有雙向密封功能,壓力流量可自由調節。
2、四級加載彈性密封,保證閥門的內外的零泄漏。
3、結構簡單,開關迅速,90°旋轉啟閉。
4、流量特性趨于直線,調節性能最優。
設計規范
遵循GB12238,API609,MSS SP-68標準.
驅動方式
手動,蝸輪傳動,氣動,電動。
性能規范
| 設計與制造 | 結構長度 | 聯結法蘭 | 壓力試驗 | 產品標志 | 供貨要求 |
| GB/T12237 | HG/T3704-2003 GB/T1221 | HG20592-97 | GB/T13927-92 | GB12220 | GB/T12252 |
公稱壓力:PN1.0-1.6(MPa),公稱通徑:DN15-DN250(mm)。
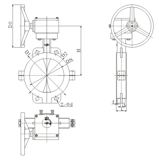
襯里蝶閥示意圖

主要零部件材料表
| 序號 | 零件名稱 | 灰鑄鐵 | 鑄鋼 | 不銹鋼 | 超低碳不銹鋼 | ||
| Z | C | P | R | PL | RL | ||
| 1 | 閥體 | HT250 | WCB | CF8 | CF8M | CF3 | CF3M |
| 2 | 蝶板 | WCB | 35(鍛) | CF8 | CF8M | CF3 | CF3M |
| 3 | 閥桿 | 1CY13 | 2Cr13 | 1Cr18Ni9Ti | 1Cr18Ni12Mo2Ti | 00Cr18Ni10 | 00Cr17Ni14Mo2 |
| 4 | 襯里層/閥座 | PTFE(F4) PCTFE(F3) FEP(F46) PFA(可溶F4) PP PO | |||||
| 5 | 密封圈 | FPM(氟橡膠) | |||||
| 6 | 彈性條(墊) | SI(硅橡膠) | |||||
| 7 | 螺栓 | 35 | 35 | 1Cr17Ni2 | 1Cr17Ni2 | 1Cr18NiTi | 1Cr18Ni9Ti |
| 8 | 螺母 | 45 | 45 | 0Cr18Ni9 | 0Cr18Ni9 | 0Cr18Ni9 | 0Cr18Ni9 |
| 9 | 手柄 | WCB | |||||
對夾連接主要尺寸及重量
*為蝸輪轉動手輪直徑尺寸
| 公稱通徑 | 標準值 | 參考值 | |||||||
| DN(mm) | NPS(inch) | L | D1 | D2 | f | Z-Φd | Do | H | W(kg) |
| PN1.0/PN1.6(MPa) | |||||||||
| 40 | 11/2 | 33 | 110 | 85 | 3 | 4-Φ18 | 260 | 140 | 3 |
| 50 | 2 | 43 | 125 | 100 | 3 | 4-Φ18 | 200 | 145 | 4 |
| 65 | 21/2 | 46 | 145 | 120 | 3 | 4-Φ18 | 250 | 155 | 6 |
| 80 | 3 | 46 | 160 | 135 | 2 | 4-Φ18/8-Φ18 | 250 | 165 | 8 |
| 100 | 4 | 52 | 180 | 155 | 3 | 8-Φ18 | 300 | 180 | 12 |
| 125 | 5 | 56 | 210 | 185 | 3 | 8-Φ18 | 300 | 203 | 18 |
| 150 | 6 | 56 | 240 | 210 | 3 | 8-Φ23 | 200* | 225 | 28 |
| 200 | 8 | 60 | 295 | 265 | 3 | 8-Φ23/12-Φ23 | 200* | 275 | 56 |
| 250 | 10 | 68 | 350/355 | 320 | 3 | 12-Φ23/12-Φ25 | 240* | 315 | 72 |
| 300 | 12 | 78 | 400/410 | 368 | 4 | 12-Φ23/12-Φ25 | 240* | 348 | 88 |
| 350 | 14 | 78 | 460/470 | 428 | 4 | 16-Φ23/16-Φ25 | 240* | 415 | 120 |
| 400 | 16 | 102 | 515/525 | 482 | 4 | 16-Φ23/16-Φ30 | 280* | 460 | 145 |
| 450 | 18 | 114 | 565/585 | 532/545 | 4 | 20-Φ25/20-Φ30 | 280* | 500 | 165 |
| 500 | 20 | 127 | 620/650 | 585/608 | 4 | 20-Φ25/20-Φ34 | 320* | 530 | 195 |
| 600 | 24 | 154 | 725/770 | 685/718 | 5 | 20-Φ30/20-Φ36 | 320* | 610 | 268 |
法蘭連接主要尺寸及重量
*為蝸輪轉動手輪直徑尺寸
| 公稱通徑 | 標準值 | 參考值 | |||||||||
| DN(mm) | NPS(inch) | L | D | D1 | D2 | f | 4b | Z-Φd | Do | H | W(kg) |
| PN1.0/PN1.6(MPa) | |||||||||||
| 40 | 1 1/2 | 106 | 145 | 110 | 85 | 3 | 18/18 | 4-Φ18 | 160 | 140 | 10 |
| 50 | 2 | 108 | 160 | 125 | 100 | 3 | 20/20 | 4-Φ18 | 200 | 160 | 12 |
| 65 | 2 1/2 | 112 | 180 | 145 | 120 | 3 | 20/20 | 4-Φ18 | 250 | 165 | 13 |
| 80 | 3 | 114 | 195 | 160 | 135 | 3 | 22/22 | 4-Φ18/8-Φ18 | 250 | 170 | 14 |
| 100 | 4 | 127 | 215 | 180 | 155 | 3 | 22/24 | 8-Φ18 | 300 | 180 | 16 |
| 125 | 5 | 140 | 245 | 210 | 185 | 3 | 24/26 | 8-Φ18 | 300 | 275 | 18 |
| 150 | 6 | 140 | 280 | 240 | 210 | 3 | 24/28 | 8-Φ23 | 200* | 295 | 42 |
| 200 | 8 | 152 | 335 | 295 | 265 | 3 | 26/30 | 8-Φ23/12-Φ23 | 200* | 320 | 78 |
| 250 | 10 | 250 | 390/405 | 350/355 | 320 | 3 | 28/32 | 12-Φ23/12-Φ25 | 240* | 385 | 120 |
| 300 | 12 | 270 | 440/460 | 400/410 | 368 | 4 | 28/34 | 12-Φ23/12-Φ25 | 240* | 390 | 145 |
| 350 | 14 | 290 | 500/520 | 460/470 | 428 | 4 | 30/38 | 16-Φ23/16-Φ25 | 240* | 460 | 202 |
| 400 | 16 | 310 | 565/580 | 515/525 | 482 | 4 | 32/40 | 16-Φ25/16-Φ30 | 280* | 510 | 235 |
| 450 | 18 | 330 | 615/640 | 565/585 | 532/545 | 4 | 32/44 | 20-Φ25/20-Φ30 | 280* | 540 | 368 |
| 500 | 20 | 350 | 670/705 | 620/650 | 585/608 | 4 | 34/46 | 20-Φ25/20-Φ34 | 320* | 570 | 420 |
| 600 | 24 | 390 | 780/840 | 725/770 | 685/718 | 5 | 36/54 | 20-Φ30/20-Φ36 | 320* | 660 | 750 |
< 返回 >








